如何使用Pilz的安全繼電器?(內有接線圖)
一個好的控制系統,首先必須是一個安全的系統——當系統發生故障或緊急停機時,能夠保證人身和設備的安全。談到安全自動化系統,不得不提到德國的皮爾磁(Pilz)公司。Pilz公司在安全自動化領域深耕數十載,有著安全PLC、安全開關、安全繼電器等諸多安全產品。最值得一提的是,Pilz做出了第一個用於急停的安全繼電器(PNOZ),得到了世界範圍內的廣泛認可。從那以後,PNOZ幾乎成了安全繼電器的代名詞。今天,PNOZ安全繼電器已經有很多系列的產品,比如:PNOZsigma、PNOZ X、PNOZcompact、PNOZelog等,每一個系列下面又有不同的型號。今天這篇文章,我們以PNOZ X3為例,談談用於急停按鈕的安全繼電器的使用。
PNOZ X3的外觀如下圖:

PNOZ X3有三路安全觸點,分別是:13-14,23-24和33-34,均屬於常開觸點,可用於安全迴路;有一路輔助觸點,即41-42,屬於常閉觸點。輔助觸點不能用於安全迴路;有一路晶體管輸出觸點:Y31-Y32。
PNOZ X3有10個安全迴路接線端子,其名稱均以「S」(Safe)開頭,包括S11,S12,S13,S14,S21,S22,S31,S32,S33和S34。其中S11和S13內部與電源正極相連,S21內部與電源負極相連。S 端子內部連接了2個安全通道(CH1和CH2)及一個啟動/複位通道(Start Unit),下面這張圖是PNOZ X3的內部接線圖:

PNOZ X3可以接受230V AC或24V DC兩種電源,當連接230V AC時,A1接L1,A2接N,B2接地;當連接24V DC時,B1接正極(+24V),B2接負極。如下圖:

PNOZ X3的前端有三個LED指示燈,分別表示電源(POWER)、通道1(CH.1)和通道2(CH.2)。當電源接通時,電源(POWER)LED燈被點亮(綠色);當電源接通並且安全通道S13-S14處於閉合迴路時,PNOZ X3工作就緒(Ready);
- 此時若通道1(CH1)和通道2(CH2)均處於閉合迴路,則安全常開觸點13-14,,23-24和33-34閉合,輔助常閉觸點41-42斷開;兩個通道LED燈均被點亮(綠色);晶體管輸出Y31-Y32閉合;
- 此時若通道1(CH1)和通道2(CH2)被斷開(比如:拍下急停按鈕),則安全常開觸點13-14,,23-24和33-34斷開,輔助常閉觸點41-42閉合;兩個通道LED燈均熄滅;晶體管輸出Y31-Y32斷開;
下面我們來看看PNOZ X3如何連接急停按鈕:

當使用單通道的急停按鈕時,把S21-S22相連,S32-S31相連,然後把急停按鈕的常閉觸點連接在S12-S11之間;
當使用雙通道的急停按鈕時,把S11-S12相連,把急停按鈕的兩路常閉觸點分別連接在S21-S22和S31-S32之間;
當安全繼電器剛上電或者急停按鈕恢復後,需要給PNOZ X3的啟動單元(StartUnit)一個信號,使其處於激活狀態;PNOZ X3的啟動包括兩種方式:自動啟動和手動啟動;
- 自動啟動(Automatic Start)是將S13-S14以閉合迴路相連。這種情況系下,當兩路安全通道(CH1和CH2)重新閉合後(比如:急停按鈕恢復),安全繼電器將自動恢復工作狀態;
- 手動啟動,或者叫做監控啟動(Monitored Start),是將S33-S34連接在一個常開觸點的通路中。在這種情況下,即使兩路安全通道(CH1和CH2)重新閉合後(比如:急停按鈕恢復),安全繼電器也不會自動恢復工作狀態。必須手動使S33-S34閉合(下圖中的S3)一段時間(典型值35ms),然後安全繼電器才能恢復工作狀態;
自動啟動(Automatic Start)和手動啟動(Monitored Start)的接線圖如下:

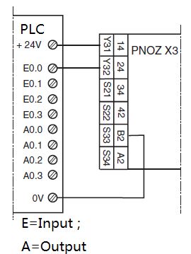
當PNOZ X3處於工作(Active)狀態時,Y31-Y32會閉合,可以使用下面的接線圖將安全繼電器的狀態傳給PLC;
關於PNOZ X3的內部原理及相關接線圖就先介紹到這裡,歡迎登陸官網(http://www.founderchip.com)瀏覽更多內容。
推薦閱讀:
※在美國的公共場合,遇到危險的言行應該如何應對?
※電子銀行卡,電子身份證等是否可行,為什麼沒有推廣使用?
※在飛機墜落時臨近飛機快要著地的瞬間跳下飛機是不是可以只受到小額跌落傷害呢??
※即使網易被拖庫,MD5 的數據(密碼和密保)是否也會被輕易破解?
※獨自乘機出行的乘客若遇突發緊急病情,怎樣做可以最小化傷害?
TAG:可编程逻辑控制器PLC | 安全 | 电气工程 |

